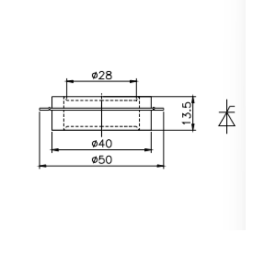
The KK200A 4-10 Fast Turn-Off Thyristor is a high-performance semiconductor device designed for fast switching power control applications. It features an interdigitated amplifying gate, high di/dt capability, and low switching loss, making it suitable for demanding industrial circuits. This model offers an average on-state current of 200A, repetitive peak off-state/reverse voltage from 800V to 1600V, surge current up to 2.5kA, and turn-off time of 16–35μs. It is built in a disc-type package with double-side cooling, helping improve thermal performance and reliability in converter, chopper, and induction heating systems. According to the outline drawing, the device has an approximate 50 mm outer diameter, 40 mm body diameter, 28 mm upper contact area, and 13.5 mm height.
Product Description
The KK200A 4-10 Fast Turn-Off Thyristor is a high-performance semiconductor device designed for fast switching power control applications. It features an interdigitated amplifying gate, high di/dt capability, and low switching loss, making it suitable for demanding industrial circuits. This model offers an average on-state current of 200A, repetitive peak off-state/reverse voltage from 800V to 1600V, surge current up to 2.5kA, and turn-off time of 16–35μs. It is built in a disc-type package with double-side cooling, helping improve thermal performance and reliability in converter, chopper, and induction heating systems. According to the outline drawing, the device has an approximate 50 mm outer diameter, 40 mm body diameter, 28 mm upper contact area, and 13.5 mm height.
Features
Interdigitated gate structure: Enables fast triggering and stable gate control
Fast turn-off performance: 16–35μs turn-off time supports rapid switching applications
Low switching losses: Helps improve system efficiency and reduce heat generation
High surge capability: Withstands up to 2.5kA surge current for reliable operation
Double-side cooling design: Improves heat dissipation and supports stable performance
Compact disc package: Space-saving structure for industrial power assemblies
Wide voltage range: Available from 800V to 1600V repetitive peak voltage ratings
Applications
Power converters
DC chopper circuits
Induction heating equipment
Industrial power control systems
High-current switching circuits
Fast commutation power electronics




